Tebbe MS240
-
Tebbe | Partsfinder
- MS120
- MS130
- MS140
- MS140 Cardan
-
MS240
- Aandrijflijn
- Verdeelbak 6401 M1
- Aandrijfbak 6272 M1
- Aandrijfbak 6272 M2
- Strooitafel Compleet B1450
- Strooikast MS140 & MS240
- Strooiwals boven
- Strooiwals onder
- A Klep compl met dwarslid
- Hydr cil Spreidkap
- Grnsstr Mod.12 met plint
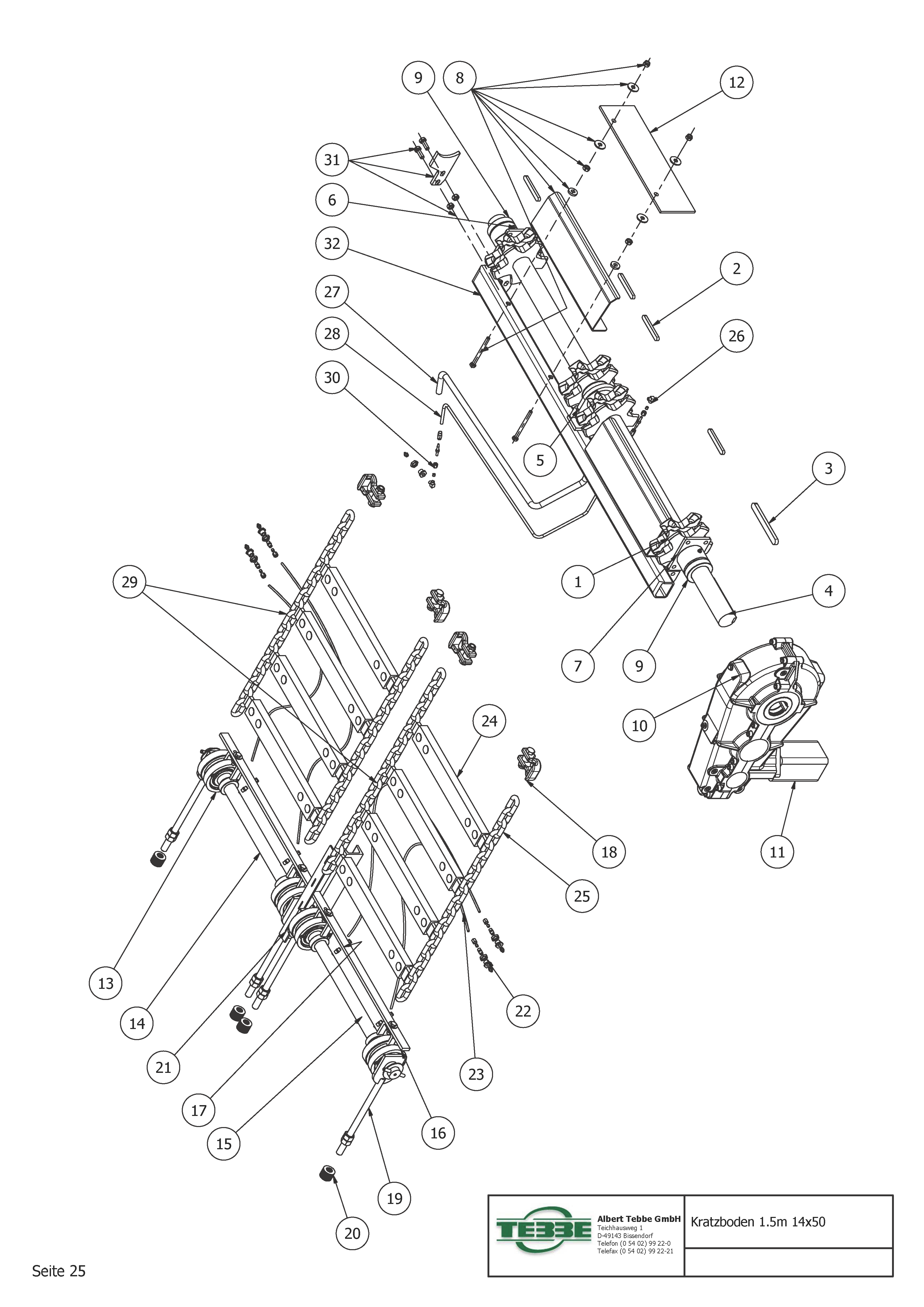
- Bodemketting 1.5 14x50
- Bodemketting 1.5m 78
- Bodemketting 1.5m 100HV
- Versnbak voor hydr. motor
- Aandrijfbak 5710M 10 compl
- Hydr motor BMS
- Hydraulik schema
- Doseerschuif MS140
- Hydraulic cilinder voor doseerschuif
- Hydraulische handbedieningsklep
- Hydraulisch stuurblok 1-voudig LVS12
- Bucher bediening 1-voudig ELSK
- Kabelset voor bucher bediening 1 voudig
- Hydraulische regelklep 3-voudig LVS12
- Bucher bediening 3 voudig EBA-113100AC
- Kabelset voor bucher bediening 3 voudig LVS12
- Hydraulische regelklep 4 voudig LVS12
- Kabelset voor bucher bediening 4 voudig LVS12
- Verlichtingsschema MS+TS
- Led-achterlicht MS links
- Led-achterlicht MS rechts
- MS140 Weegcelopstelling
- Opbouwsmering MS140+MS130
- Centralesmering MS140+MS130
- Opbouwdelen MS140
- Dissel MS+TS
- BPW-as voor eenasser MS+TS
- Onderbouwbescherming
- Steunwiel
- Kleur mintgroen RAL6029
- Pictogrammen
- BPW aanhangerremas MS140
- LS120E+T
- DS160 / 180
- HS 120 / 180 / 200
- HS220 / 240 / 320
- KS230 / 260 / 340
- TS120/ 160 / 240
- ST ( Silage Trailer )
- BPW ( Onderstellen )
- Kuxmann
- Compost Systems
- Miniaturen
- Contact